Hliníkové jekly čtvercové EN-AW-6063

Kód 010301-EN-AW-6063
Slitina EN-AW-6063tip
Chemické Složení EN 573-3
Mechanické vlastnosti EN 755-2
Tolerance EN 755-3,4,5,6,7
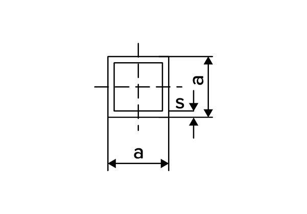
Strana a (mm) 10 - 180 (dostupné rozpětí)
Tloušťka s [mm] 1,2-10 (dostupné rozpětí)
Poznámka: Přírodní povrch. Lze i lakovanou nebo eloxovanou úpravu. Minimálním odběr je 500kg.
Minimální množství pro poptávku 500 kg
Dostupnost Na objednávku, 3-6 týdnů dodání
Poptávkový formulář Poptejte